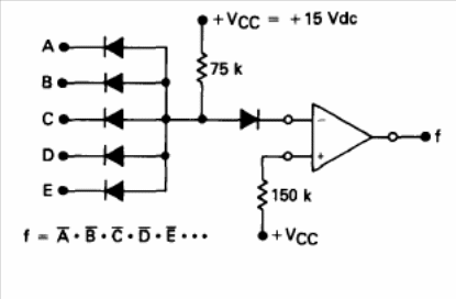
With this circuit it is possible to obtain an AND gate with large fan-in, using an operational transconductance amplifier. The circuit is from the 1990 Motorola Linear Databook.

With this circuit it is possible to obtain an AND gate with large fan-in, using an operational transconductance amplifier. The circuit is from the 1990 Motorola Linear Databook.
