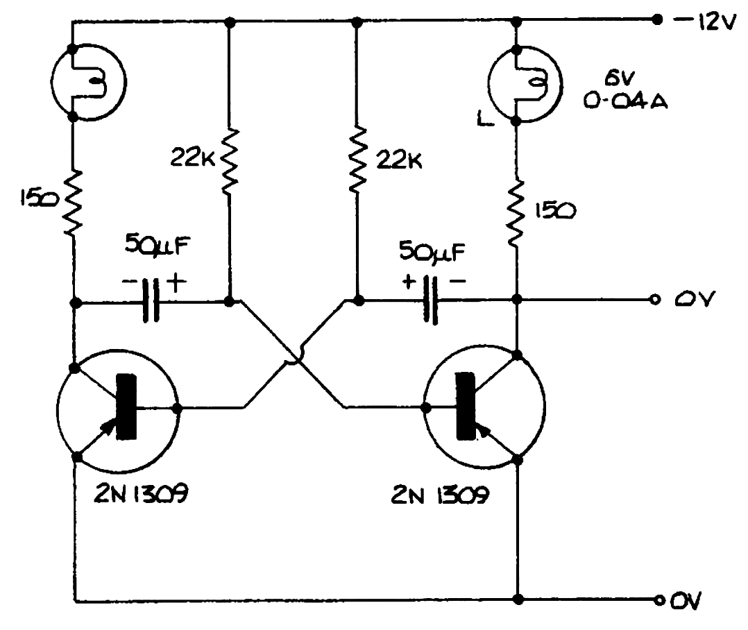
This alternating flasher was found in a 1980s documentation. The transistors may be equivalent such as the BC558 and LEDs may be used instead of lamps. The capacitors can have values between 10 and 100 uF according to the desired frequency.
This alternating flasher was found in a 1980s documentation. The transistors may be equivalent such as the BC558 and LEDs may be used instead of lamps. The capacitors can have values between 10 and 100 uF according to the desired frequency.