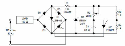
We found this load control circuit on the power grid using a SCR and PUT in a thyristor manual from ON Semiconductor. Bridge diodes as well as SCR must be compatible with the load power to be controlled.

CB4255E
We found this load control circuit on the power grid using a SCR and PUT in a thyristor manual from ON Semiconductor. Bridge diodes as well as SCR must be compatible with the load power to be controlled.

CB4255E