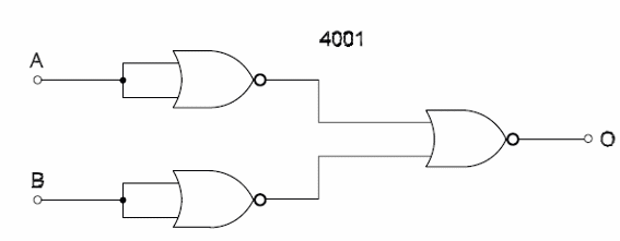
Three of the four gates found in a 4001 can be used to perform as an AND gate. This improvisation can be useful if you don't have handy an AND gate for a project or have a 4001 in the circuit with three of its gates unused. The circuit is shown bellow.

AND Gate Using NOR



