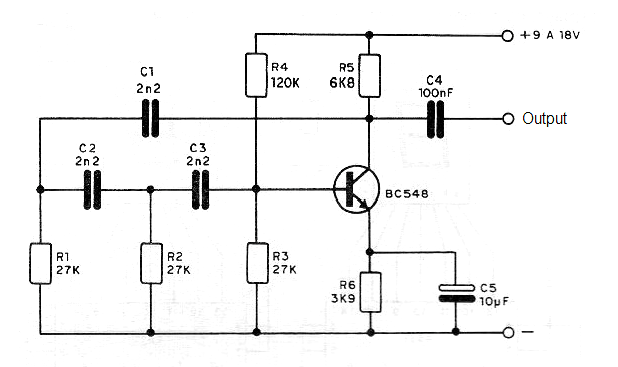
This circuit produces a sine 1 kHz signal. The frequency is given by C1, C2 and C3. This is a phase-shift oscillator. You can find the simulation in the MultiSIM BLUE section and the formulas in the Mathematics for Electronics section.

This circuit produces a sine 1 kHz signal. The frequency is given by C1, C2 and C3. This is a phase-shift oscillator. You can find the simulation in the MultiSIM BLUE section and the formulas in the Mathematics for Electronics section.
