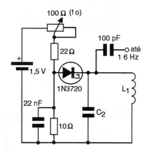
The circuit shown in the figure can generate signals up to 1.6 GHz. Coil L1 and capacitor C2 are chosen according to the frequency of the signal to be generated. Adjustment of the operating point is done with a wire potentiometer and the power supply must be made with a voltage of 1.5 V. Given the high operating frequency the arrangement of components in the assembly is extremely critical.




