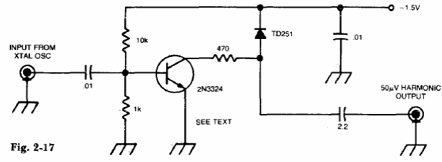
The purpose of this circuit is to produce a 50 uV harmonic at 1296 MHz from a 0.15 to 1 V input of frequencies obtained from 100 kHz or 1 MHz crystals. The diode must be tunnel, but if of another type eg Germanium, the signals can reach 147 MHz. The circuit is from an American 80's documentation.




