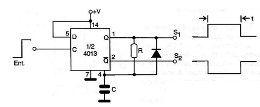
We give in the figure a different application of 4013, which can also be used as monostable. In common monostable multivibrators there is an internal feedback that determines the end of the pulse produced when switching occurs. The connection of output Q to a resistor charging the capacitor C causes the RESET to be delayed, thereby achieving monostable behavior.




