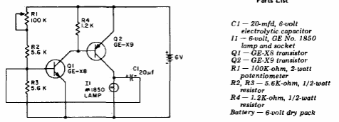
We found this circuit in an American 1980s documentation. The transistors can be equivalent as BC548 for NPN and BD136 for PNP. Instead of light bulbs high power LEDs with resistors in series can be used.

We found this circuit in an American 1980s documentation. The transistors can be equivalent as BC548 for NPN and BD136 for PNP. Instead of light bulbs high power LEDs with resistors in series can be used.
