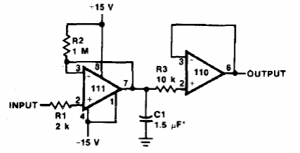
We find this circuit in an American manual from the 80's. The circuit can be implemented with more modern operational, including low voltage types. The power supply must be symmetrical.

We find this circuit in an American manual from the 80's. The circuit can be implemented with more modern operational, including low voltage types. The power supply must be symmetrical.
