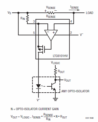
This 2005 circuit from a Linear Technology manual makes use of the LTC610HV and an optical coupler that can be of any type. The circuit is on the high side and next to the diagram we have the formula for calculating the output voltage.

This 2005 circuit from a Linear Technology manual makes use of the LTC610HV and an optical coupler that can be of any type. The circuit is on the high side and next to the diagram we have the formula for calculating the output voltage.
