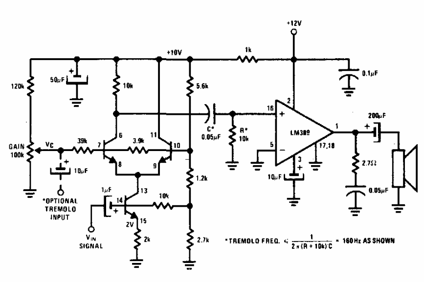
This circuit is from a National Semiconductor manual, appearing elsewhere on this site. The circuit already includes a small 80's audio amplifier. The transistors are from an array of the time.
This circuit is from a National Semiconductor manual, appearing elsewhere on this site. The circuit already includes a small 80's audio amplifier. The transistors are from an array of the time.