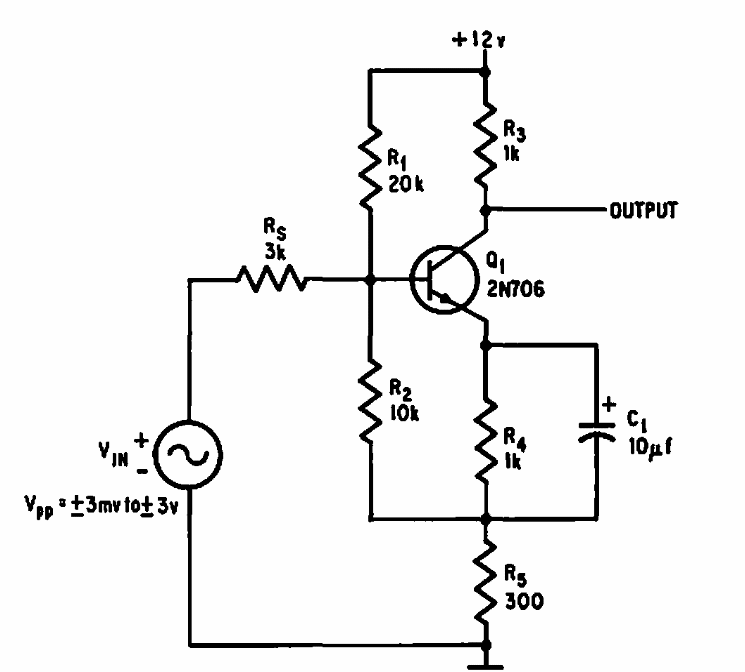
This circuit is from a 1967 publication. The configuration holds true for modern transistors having a feedback across R2.
The circuit shown in figure 5 generates square signals based on a transconductance operational amplifier...
By adding a transistor to the output and some polarization features we can obtain a higher output...
Found in the 1990 special issue of Radio Electronics Experimenter magazine, this circuit uses an...