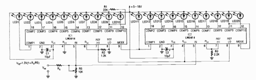
This circuit has a scale of 0 to 2.56 V, but it can be changed by changing the values of the components according to the formula given in the diagram. We found it in the March 1992 issue of Radio Electronics magazine.
This circuit has a scale of 0 to 2.56 V, but it can be changed by changing the values of the components according to the formula given in the diagram. We found it in the March 1992 issue of Radio Electronics magazine.