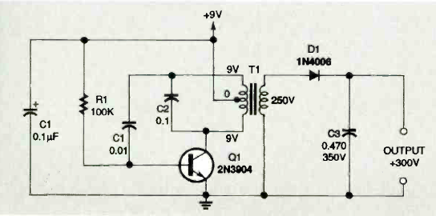
This voltage inverter uses a small transformer. The circuit was found in the April 1995 issue of Electronics Now magazine. The output current is very low.
This circuit was found in 1980s American documentation. The transducer is a piezoelectric capsule and the...
This circuit from the 80s uses an integrated circuit from the time. The CI is difficult to find...
This receiver, which, depending on the coil, can receive medium or short waves, was found in a...