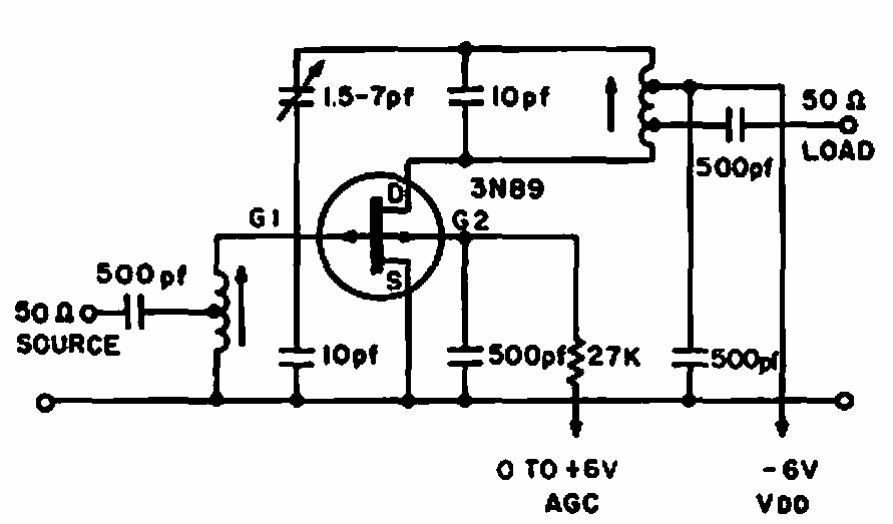
Suggested by a 1965 Electronic Design, this circuit has a gain of 15 dB at 45 MHz and can be changed to operate on other frequencies. The tetrode FET is an uncommon component today.
Suggested by General Electric in an old documentation, this circuit can use modern SCRs and the...
The frequency of this oscillator depends on T, which for the audio band can be a common output...
This circuit has a common configuration widely used in projects on this site. The transistor is...