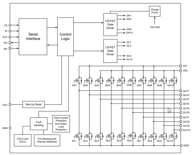
Monolithic Power Systems (MPS) MP6527 Half-Bridge Motor Drivers are ten-channel, half-bridge DMOS output drivers with integrated power MOSFETs. These motor drivers achieve up to 0.8A of output current (IOUT) across a wide 5.5V to 40V input voltage (VIN) range. The standard serial data interface controls the ten half-bridges separately, and each half-bridge comes with various diagnostic functions. These drivers feature low quiescent current (IQ) in standby mode. Full protection features include Short-Circuit Protection (SCP), Over-Temperature Protection (OTP), Under-Voltage Lockout (UVLO) protection, Over-Voltage Lockout (OVLO) protection, and thermal shutdown with pre-warning. The MP6527 motor drivers are available in a TSSOP-28EP package and only require a minimum number of readily available standard external components.




