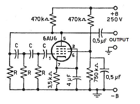
The circuit shown consists of the valved version for the known phase shift oscillator, an efficient RC oscillator for generating low frequency signals.
In this circuit, from a publication of the 60's, we have as active element a 6AU6 pentode with an RC feedback network.
The power supply is made with a voltage of 250 V and the signal obtained is sine of good intensity.
The capacitors must have working voltages according to the position in the circuit. To calculate the frequency as a function of CR we have a nomogram given in figure 1.

See in the example that drawing a line joining the resistance value of 30 k with 100 Hz, we obtain that the capacitor should be 20 000 pF or 20 nF.
Also note that the maximum value of the frequency that can be obtained is 100 kHz.
In figure 2 we have the complete diagram of the oscillator.




