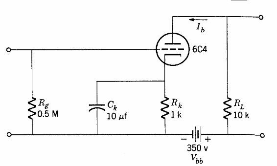
In the figure we have a typical amplification stage using the 6C4 tube. The circuit is of an old documentation, being valid for triodos with the same characteristics.

In the figure we have a typical amplification stage using the 6C4 tube. The circuit is of an old documentation, being valid for triodos with the same characteristics.
