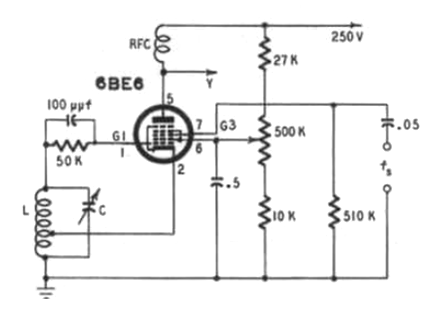
This circuit was obtained in a book on oscilloscopes of the 1950s. The circuit generates signals up to a few dozen megahertz in amplitude modulated. The drained current from the source is a few milliamperes. LC determines the oscillation frequency and the potentiometer controls the depth of the modulation.




