The possibility of power outages in places where there are many people and there is the danger of riots should be taken into account by readers who have playhouses, party halls, clubs, etc.
The ideal solution for these cases is the placement at strategic points (exits and corridors) of emergency lamps that in case of power outage can illuminate the exit path.
The circuit presented is ideal for this purpose and quite simple to assemble.
Using a transformer, it at the same time detects the power cut and when it is present uses it for a constant slow charge of the accumulator used.
Small lead-acid batteries or even a car battery can be used depending on the intended use. In the original circuit we give the installation of only one lamp of 500 mA, but the circuit admits more lamps (up to 4) connected in parallel, without this overloading the SCR.
Characteristics:
Input voltage: 110 V or 220 V
Maximum load (bulbs): 12 V x 2 A
Battery type: 12 V
HOW IT WORKS
With the voltage present in the primary winding of the transformer, the SCR stays off and at the same time through D1 and R2 circulates a charging current to the accumulator.
R2 must be dimensioned according to the load current required by the accumulator in use. For a 12 V x 6 Ah accumulator, a 150 ohm resistor x 1W is indicated.
In the absence of voltage in the primary winding of the transformer, the accumulator trips the SCR through R2 causing a current to light the lamp.
The capacitor C2 gives a certain inertia to the trip, avoiding that the lamp blinks in the presence of transients or very fast cuts. The trigger point can be best adjusted by replacing R2 with a 47k trimpot.
ASSEMBLY
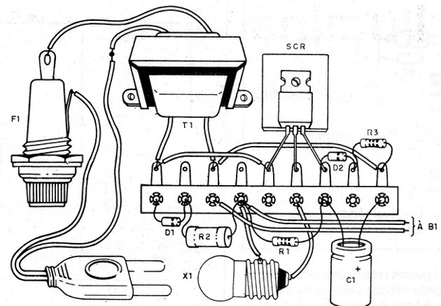
In figure 1 we have the complete diagram of the apparatus.

Since few components are used and for high currents at some points, the arrangement on a terminal strip is the most suitable for the case, as shown in figure 2.

The SCR must be fitted with a heat radiator, especially if more than one lamp is supplied by the circuit.
Resistors are common with the minimum dissipations indicated in the material list and the electrolytic capacitor must have a working voltage of at least 25 V.
The transformer has primary winding according to the local and secondary network with currents between 350 and 1 000 mA.
The diodes are common and higher voltage equivalents can be used and the SCR is a TlC1 O6 to 5oV or more.
The battery can be automobile, motorcycle or an accumulator of 6 Ah for 12V.
Nicad batteries can also be used in series, in the case 8 units.
For large batteries, or even a VCR pack the R2 resistor must be increased to 330 ohm.
The connection of the appliance to the lamp can be up to 10 meters and for greater efficiency in lighting the 12V car lamp can be fitted with a small reflector.
TEST AND USE
Simply connect the device to the mains and connect the battery.
The lamp should remain off. Momentarily turn off the power; the light bulb lights up.
A small reduction and brightness is due to the 2 V drop occurring in the SCR when conducting the current.
Once the operation is confirmed, it is only necessary to install the appliance definitively.
Remember to always check the battery's electrolyte level if it is not sealed.
SCR - TIC106 - Silicon Controlled Diode
D1 and D2 - 1N4002 - silicon rectifier diodes
X1 - 12 V - 500 mA - incandescent lamp.
T1 - 12 V x 500 - transformer with primary according to the local network.
F1 - 500 mA - fuse
B1 - 12 V - accumulator - see text
C1 - 220 uF x 25 V - electrolytic capacitor
R1 - 1 k x 1/2 W - resistor (brown, black, red)
R2 - 150 ohm x 1 W - resistor (brown, green, brown)
R3 - 100 ohm x 1/2 W - resistor (brown, black, brown)
Miscellaneous: mounting box, fuse holder, SCR heat radiator, lamp reflector, welding wires, etc.



