The device can be used as part of alarms, warning systems, games, toys, decorations, cars, and so forth. The power supply depends on the lamp and can be a 6 or 12 V unit.
Output current is up to 500 mA, depending on the lamp. The operational principle is the same as with the other variable duty cycle projects described in this book.
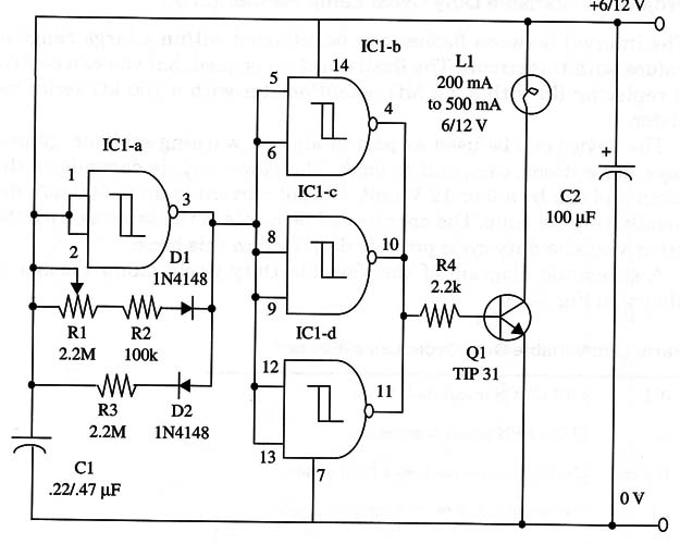
A schematic diagram of the Variable Duty Cycle Lamp Flasher is shown in Fig. 1.

The lamps are described in other projects in this site, and transistor Q1 must be mounted on a heatsink. The proper position of the polarized components must be observed.
IC1 - 4093 CMOS integrated circuit
Q1 - TIP31 NPN power transistor
D1, D2 1N4148 general purpose silicon diodes
L1 - 200 to 500 mA, 6 or 12 V lamp (see text)
R1 - 2,200,000 ohm potentiometer
R2 - 100,000 ohm, 1/4 W, 5% resistor
R3 - 2,200,000 ohm, 1/4 W, 5% resistor
R4 - 2,200 ohm, 1/4 W, 5% resistor
C1 - 0.22 µF/0.47 µF ceramic or metal film capacitor
C2 - 100 µF, 16 WVDC electrolytic capacitor



