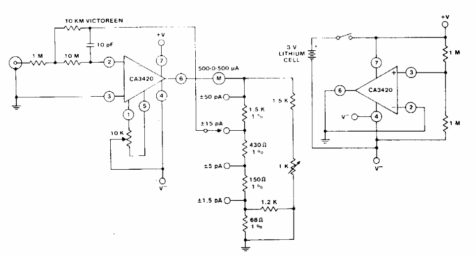
This circuit was found in RCA and General Electric documentation from the 1980s. The circuit has several scales and its accuracy depends on the resistors used on the selector switch. The power supply must be symmetrical.
This circuit was found in RCA and General Electric documentation from the 1980s. The circuit has several scales and its accuracy depends on the resistors used on the selector switch. The power supply must be symmetrical.