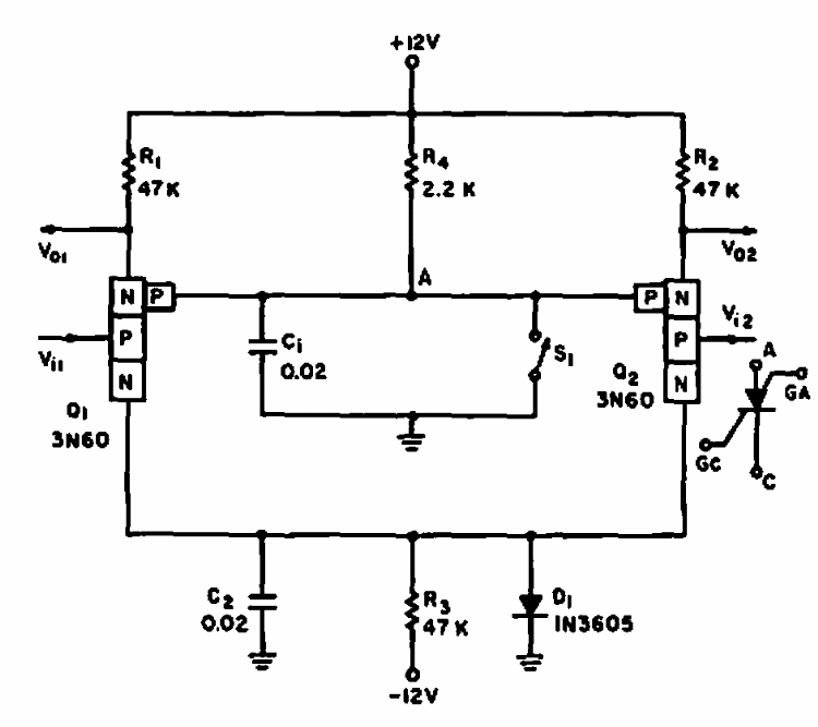
This interesting circuit of an Electronic Design stores the highest voltage of two applied to its inputs. The circuit is from 1964 and can be adapted to use modern components.
This circuit was found in an American publication from 1969. Transistors are from the time and can be...
We found this circuit in a 1998 documentation. The circuit makes use of CMOS logic and must be...
This 1 transistor circuit is from a Radio Electronics from December 1958… The circuit is battery...