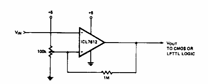
We found this circuit in an 80s Intersil documentation. Modern equivalent operating systems can be used. The potentiometer adjusts the detection level.
We show a channel of a simple preamplifier for ceramic capsules. This circuit is based on a very...
This circuit is from a 1975 Motorola manual. The FET can be the BF245 and the output voltage...
November 2016 - New LM2904 amps amplifiers consisting of specially designed operational amplifiers for motor...