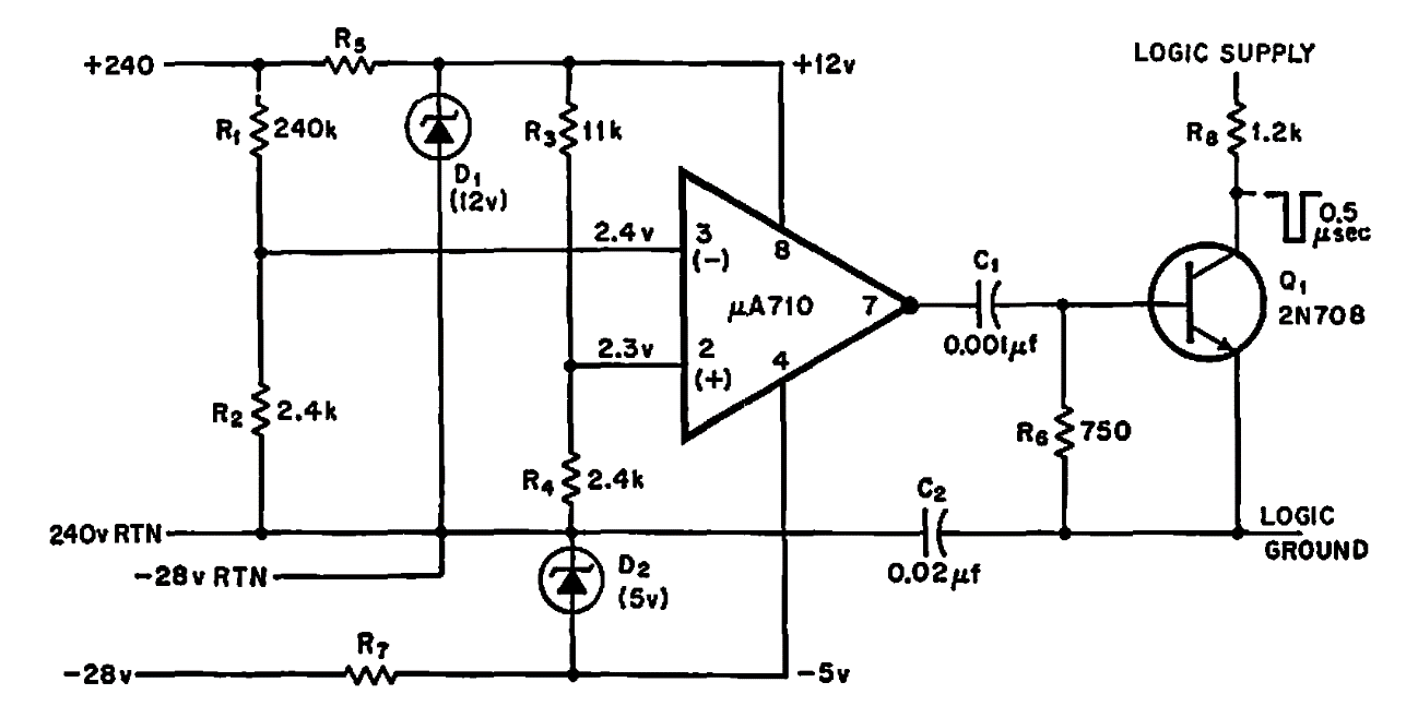
This high voltage circuit was found in a 1970 documentation. The integrated one is of the time and modern equivalents can be tested. The resistors of the voltage reducing system must be calculated.
This circuit was found in an American publication from 1969. Transistors are from the time and can be...
We found this circuit in a 1998 documentation. The circuit makes use of CMOS logic and must be...
This 1 transistor circuit is from a Radio Electronics from December 1958… The circuit is battery...