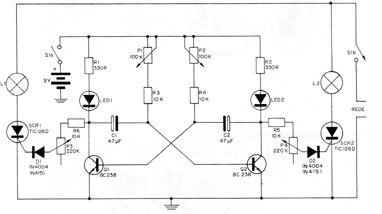
This configuration based on a conventional astable multivibrator was found in a 1982 publication. The circuit works on 110 V or 220 V depending on the SCR, which must be mounted on a heat sink. The operating point is adjusted in the trimpots. A 6 V battery consists of auxiliary power.




