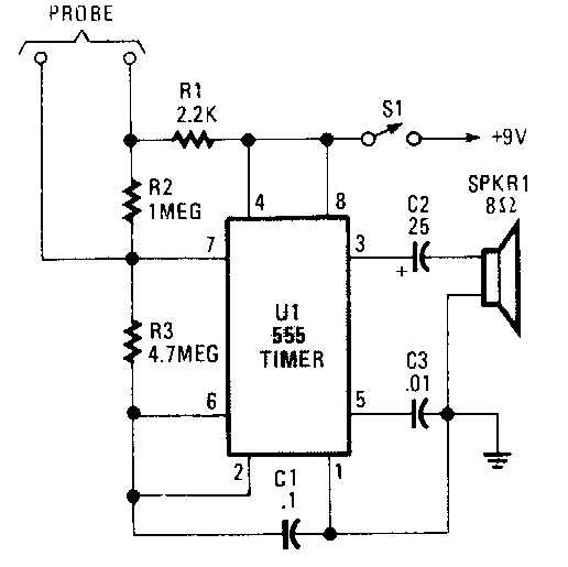
This circuit was found in Popular Electronics. Its purpose is to warn the visually impaired when a glass of water or another drink is full, by triggering a small alarm. The sensor is formed by two peeled wires that fit the edge of the cup. A cup can even be created with the built-in sensor and the oscillator at its base.




