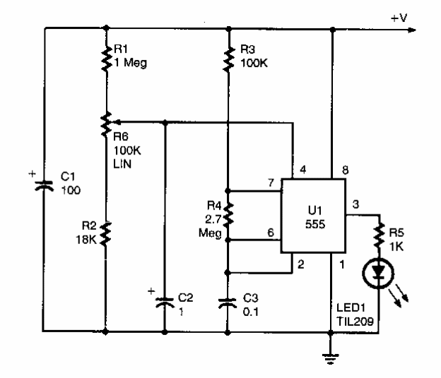
This circuit causes an LED to flash if the monitored voltage exceeds the value set in the pot. The circuit is from a Popular Electronics from the 90s.

This circuit causes an LED to flash if the monitored voltage exceeds the value set in the pot. The circuit is from a Popular Electronics from the 90s.
