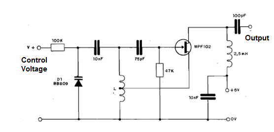
This oscillator produces a signal with a central frequency in 1 MHz. This frequency can be controlled by an external signal applied to the circuit. L1 is formed by 40 + 40 turns of AWG wire in a ferrite core about 10 cm long and with 1 cm of diameter. D1 is a varicap and equivalent can be used.




