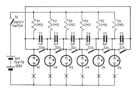
We found this circuit in an English documentation from 1968. The circuit draws a number from 1 to 6 in 6 common neon lamps. The supply must be made with a power source with the voltage in the indicated range.

We found this circuit in an English documentation from 1968. The circuit draws a number from 1 to 6 in 6 common neon lamps. The supply must be made with a power source with the voltage in the indicated range.
