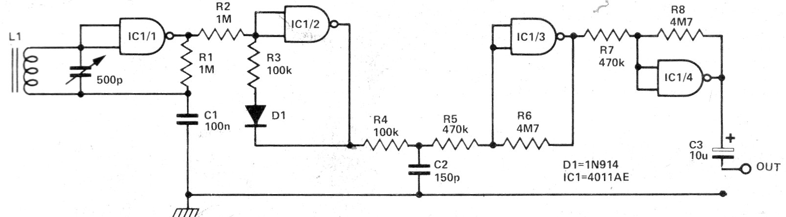
L1 is formed by 80 turns of wire 28 in a ferrite rod to tune medium waves range. The circuit can be powered by voltages from 5 to 12 V and the output can be made in a piezoelectric capsule. The circuit is from a 1978 documentation.
L1 is formed by 80 turns of wire 28 in a ferrite rod to tune medium waves range. The circuit can be powered by voltages from 5 to 12 V and the output can be made in a piezoelectric capsule. The circuit is from a 1978 documentation.