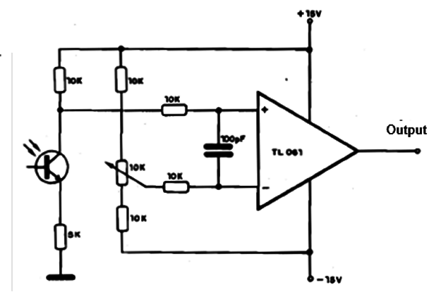
This circuit was found in a Texas Instruments’ publication. The circuit must be powered from dual supply and the potentiometer adjusts sensvity. Any phototransistor can be used.

This circuit was found in a Texas Instruments’ publication. The circuit must be powered from dual supply and the potentiometer adjusts sensvity. Any phototransistor can be used.
