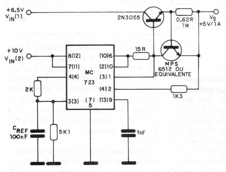
This circuit is suggested by Motorola and is based on the well-known 723, integrated voltage regulator. The 2N3055 transistor must have a heat radiator. The numbers in parentheses in the diagram next to the integrated are for metal enclosure; the normal numbering is for the DIL wrapper. Note that we have two voltage inputs for this circuit. The resistors are all 1 / 4W except the 0.62 ohms which must be wired with at least 1W of dissipation.




