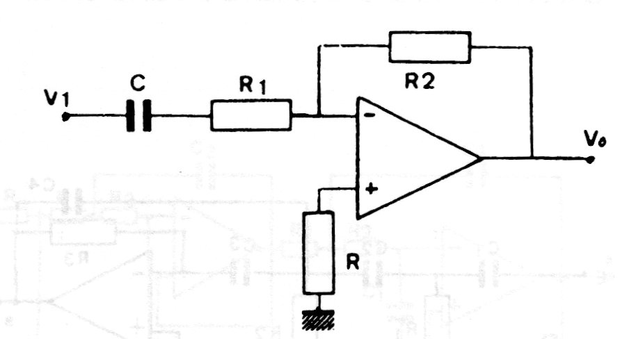
This is the traditional configuration of a high-pass filter with an operational amplifier, such as the 741. The values of R and C determine the frequency while the gain is given by R2 and R1.
This is the traditional configuration of a high-pass filter with an operational amplifier, such as the 741. The values of R and C determine the frequency while the gain is given by R2 and R1.