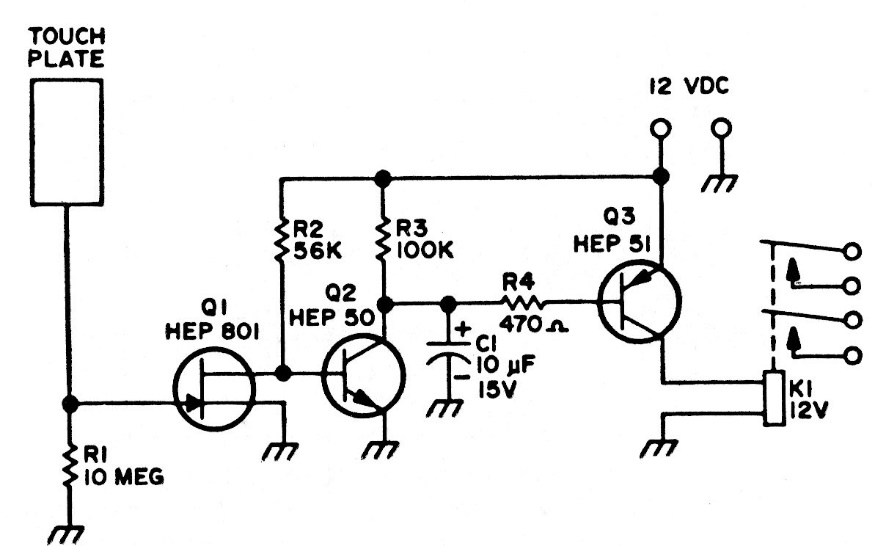
This circuit is from an old publication, but it can be assembled with modern components. We can use BF245 for FET and BC548 and BC558 for bipolar. The relay is a 12 V sensitive type. Never use a source without a transformer to power this circuit.
This circuit is from an old publication, but it can be assembled with modern components. We can use BF245 for FET and BC548 and BC558 for bipolar. The relay is a 12 V sensitive type. Never use a source without a transformer to power this circuit.