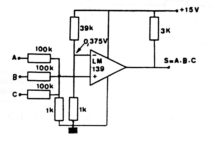
This is the traditional configuration of an AND gate using an operational amplifier. Operational amplifiers or equivalent comparators can be used, and the supply voltage depends on logic. More entries can be added. The circuit can function as a shield for microcontroller if powered by 5 V.




