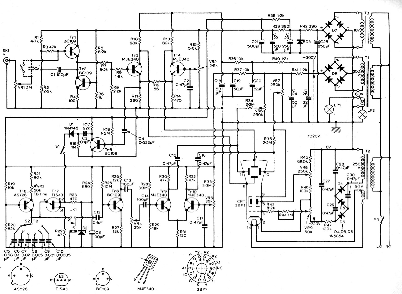
This diagram can serve as a reference for readers who want to know what an old oscilloscope with TRC was like or even for those who want to retrieve one. The circuit is from 1970s documentation and employs transistors from the time, many of which can be replaced by current equivalents.




