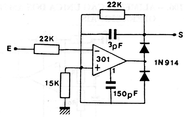
This circuit, unlike the previous one (CIR12983) has the values of the components. The operational admits equivalents, as well as the diodes that are general-purpose types. The circuit measures frequency compensation with the capacitor on pin 1.

This circuit, unlike the previous one (CIR12983) has the values of the components. The operational admits equivalents, as well as the diodes that are general-purpose types. The circuit measures frequency compensation with the capacitor on pin 1.
