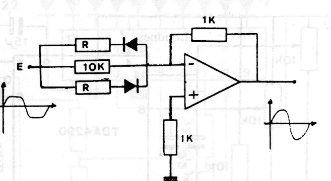
The expansion rate of this circuit is determined by R. The circuit can use any operational amplifier and the power supply must be symmetrical. Resistor R must be less than 10k.
In the figure we have a simple way to produce tone in a piezoelectric transducer. The frequency depends...
This absolute value amplifier was found in a 90's EDN. Equivalent amplifiers can be used. The...
The integrated circuit used in this configuration for noise reduction on FM radios is not common...