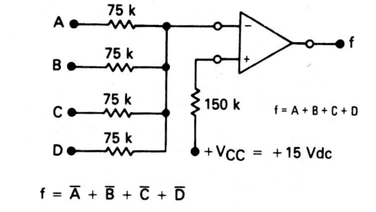
In the figure we have the way to implement a NO OR or NOR gate with an operational amplifier. The number of inputs can be changed.
In the figure we have a simple way to produce tone in a piezoelectric transducer. The frequency depends...
This absolute value amplifier was found in a 90's EDN. Equivalent amplifiers can be used. The...
The integrated circuit used in this configuration for noise reduction on FM radios is not common...