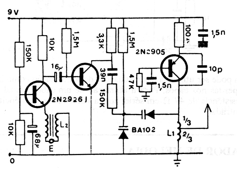
We found this circuit in a European publication from the 1980s. The circuit uses a low impedance microphone that can be a small 2.5 cm speaker. The audio transistors can be the BC548 and the RF transistors the BF494. The antenna has 2 + 2 turns of wire 26 or 28 in the form of 1 cm without core.




