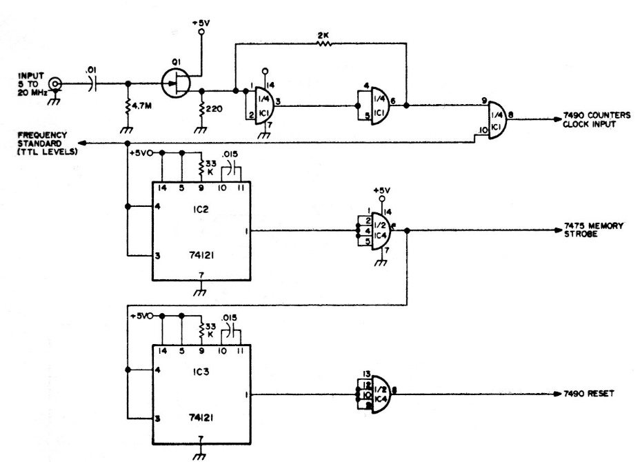
We found this circuit in documentation from the 1980s. It is an input stage for a digital frequency meter. The circuit can operate with signals up to a few tens of megahertz.
This circuit is indicated for the analysis of pulses in TTL circuits. The circuit is from a...
Found in a 90s Popular Electronics, this circuit uses common components. The power transistors can be...
The time constant of this circuit is 100 x R1 x C1, which leads to the possibility of obtaining times...