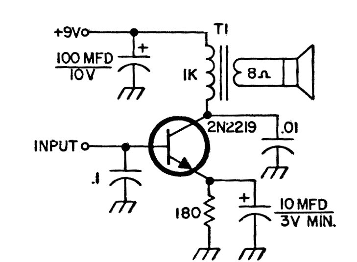
This simple step of low power audio is from a 1975 documentation. The transistor can be a BC548, and the transformer of the type found in small transistor radios and recorders of the time.
In the circuit we have a way of using a transistor to control the polarization of a class B tube...
This basic circuit can be used in signal followers and other applications where an RF signal is to be...
This circuit was found in the July 1969 issue of Radio Electronics magazine. It also appeared in...