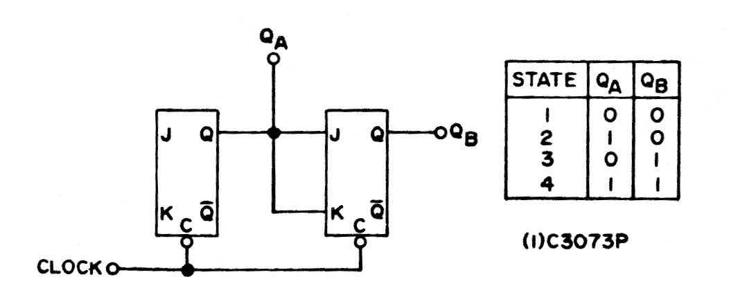
This circuit can be implemented with either TTL or CMOS logic. The speed depends on the logic used and the circuit can be used with microcontrollers, functioning as a shield.
This simple pole search or neon probe for the 110 V or 220 V power grid has nothing unusual, being...
This transmitter was found in an old publication on espionage. It applies a signal of a few...
Maxim MAX20056B 6 Channel High Brightness LED Controller Maxim Integrated makes available through...