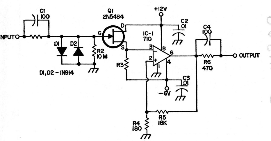
This circuit is used in frequency meters to isolate the input output. The circuit is from old documentation. Equivalent operational amplifiers can be used.
We found this circuit in a 1985 technical publication. The circuit uses PUTs to drive lamps....
This high-powered megaphone circuit is from a Radio Electronics from December 1964. Note the use...
This amplifier with differential input uses two old op amps but can be implemented with modern op amps....