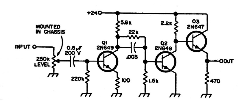
This circuit improves the shape of an input pulse by smoothing it out to make it more appropriate for the excitation of a digital circuit. Modern switching transistors such as 2N2222 can be used. The circuit is from old documentation.
This circuit improves the shape of an input pulse by smoothing it out to make it more appropriate for the excitation of a digital circuit. Modern switching transistors such as 2N2222 can be used. The circuit is from old documentation.