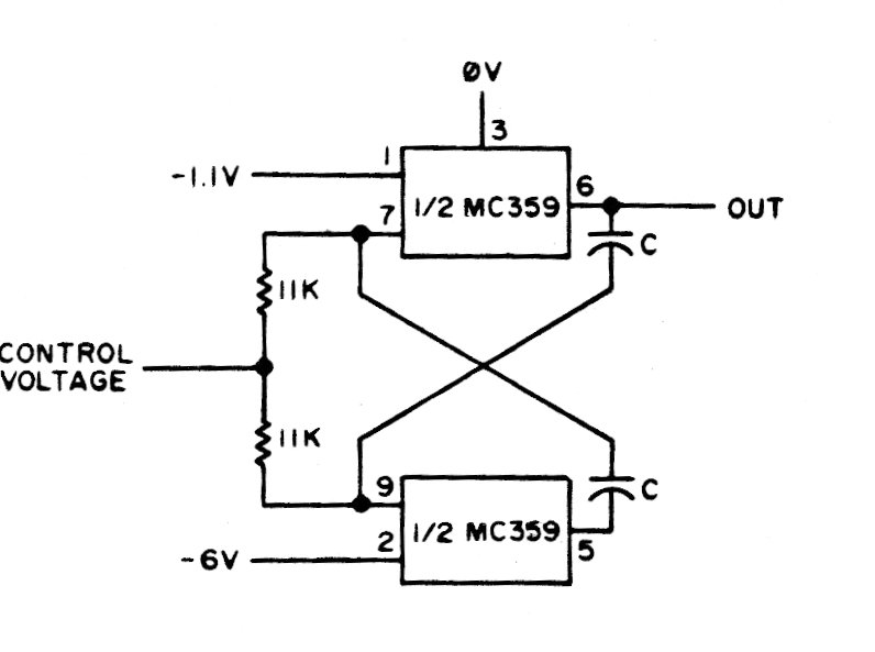
We found this circuit in documentation from the 1980s. The integrated circuit used is uncommon today, and the use of a modern equivalent should be analyzed.
This capacitor for small capacitances is based on the tuning of a receiver circuit. The variable is...
This 1995 documentation circuit detects when an extension on a phone line is active. Adjustment of the...
This analog tachometer can be used in cars with platinum or in robotic and automation applications to...