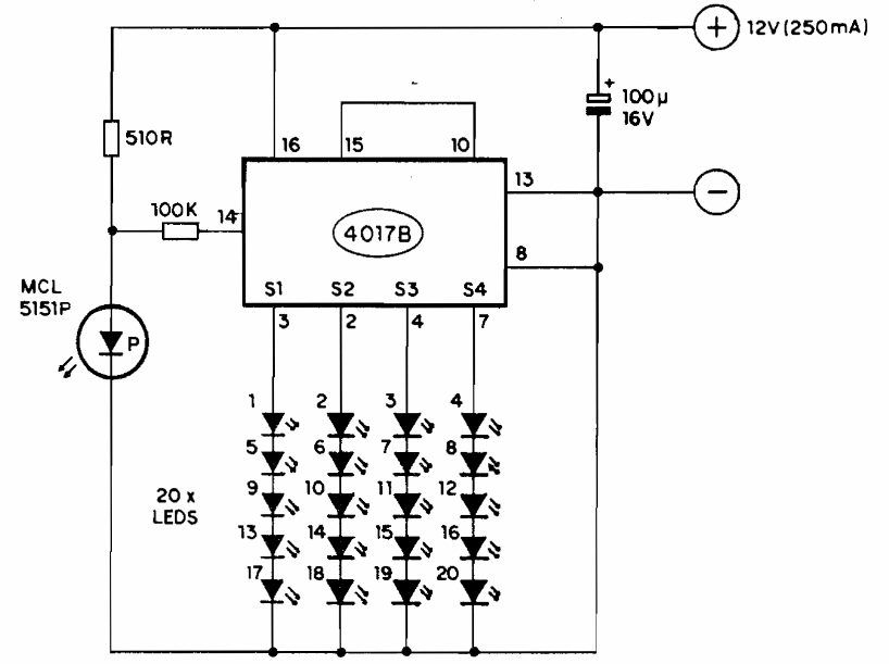
This circuit drives 4 sequences of 5 LEDs that can be of any color. The frequency depends on the characteristics of the photosensor. The circuit is from an 80's documentation.
This circuit, from ancient French documentation, produces a rectangular pulse from input pulses...
This timer for small intervals, but which can be increased with the increase of R1, was obtained in an...
Found in a 90s Radio Electronics, this circuit can supply currents of a few amps, according to the power...