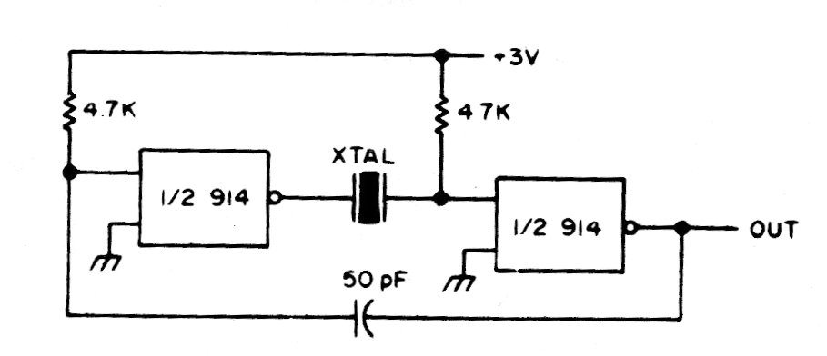
The integrated circuit used in this application is uncommon today. The circuit is from American documentation from the 1980s. It can be changed to use more modern equivalent components.
This circuit, from ancient French documentation, produces a rectangular pulse from input pulses...
This timer for small intervals, but which can be increased with the increase of R1, was obtained in an...
Found in a 90s Radio Electronics, this circuit can supply currents of a few amps, according to the power...